空气型母线
 
空气型母线

产品简介:
  空气型母线产品结构有三相四线、三相五线制,适用于频率50~60Hz,额定电压至660V,额定工作电流250A~6300A的供电系统,^大的特点是运行稳定、安全、可靠。特别适用于以下应用场所,如:1.变压器与配电柜的连接;2.配电柜与配电柜之间的连接;3.高耗能、大电流需求车间的主干输电线路。


产品特点:

超高强度
■ 该系列母线槽外壳采用钢板一体成型(马钢),极大提高了载荷能力,可保证在跨距6m母线中心载重60kg,在非均匀温度变化时,板壳中心位置偏移不超过10mm。


安装极为方便
■ 采用具有自动补偿的联结和单螺栓夹紧端子,可调性强,使得母线槽在安装过程中显得非常便捷、灵活,大大节省了安装时间。


极为安全可靠
■ 采用分离空气绝缘式,其相间的安全净距和爬电距离远远大于标准要求。
■ 内部绝缘件采用高强度工程塑料,提高了母线槽抗动、热稳定的能力。
■ 接头采用的特殊构造,可以防止安装的误操作。
■ 插口处设置安全防护挡板,只有当防护挡板拉开时,插接箱才能插入。插口平时不用时可以将防护挡板拉闭并加铅封锁死,防止插口处灰尘或异物的进入,同时防止误操作,使母线的  安全性能得到了极大的提高。
■ 插接箱插接时无需切断电源,因为地线总是先接上、后断开。

布线灵活
■ 母线槽插口采用模块化设计,整个系统预留大量的插口。确保负载能以^短的路径与母线槽单元连接,对于车间设备的增添、移动及车间的整修,均无需变动母线槽系统。

互换性能
■ 该系列母线槽设计了七个电流等级,仅采用了三个级次的外壳,这样当系统按相邻电流等级变幻容量时,无需更换外壳。

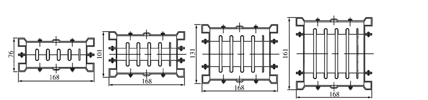
产品选型表:

电流等级(A)

产品名称

空气型母线槽/4P

空气型母线槽/5P


外形尺寸

宽(mm)

高(mm)

宽(mm)

高(mm)

400A

168

76

168

76

500A

168

112

168

112

630A

168

101

168

101

800A

168

117

168

117

1000A

168

131

168

131

1250A

168

147

168

147

1600A

168

161

168

161

2000A

168

197

168

197

2500A

168

242

168

242

3150A

168

172

168

172

4000A

168

222

168

222

5000A

168

232

168

232

6300A

168

257

168

257

图片.png

产品技术参数: 

■ 产品符合IEC产品符合IEC60439-1~2、GB7251.1~2、UL857。
■ 母线槽能保证在额定电流及110%的额定电压下长期正常工作。
■ 母线槽根据表(1)的数据通过动、热稳定试验,且试验后母线呈无可觉察的^变形。

额定工作电流(A)

250

400

630

800

1000

1250

1600









额定峰值耐受电流(kA)

40

50

63

75

85

105

120









额定短时耐受电流(kA)

20

25

30

40

50

50

55









表(1)(^大额定工作电流可至6300A)

■ 母线槽在周围空气温度为20℃±5℃,相对湿度为50%~70%的常态下,其每节的绝缘电阻不低于50MΩ
■ 母线槽能承受3750V的工频耐压,历时1min无击穿和闪络现象。
■ 母线槽在长期通以额定电流时,其导电部位的温升不超过表(2)所列的数值:

部件名称

^大允许温升(K)

连接端子

60K

金属外壳

30K

绝缘件表面

40K

表(2)

■ 插接箱与母线槽的插接次数不少于200 次。
■ 防护等级达IP40。(带附件达IP54)。


上一个产品:空气型母线
下一个产品:没有了!


地址:常州市钟楼区邹区镇鹤溪村委漕沟组82号
联系电话:13701502651 丁先生 13382810688 张先生 18068789103 李先生
邮箱:1755141116@qq.com
首页   关于我们   产品中心   成功案例   新闻中心   联系我们
江苏君子母线有限公司 版权所有
常州云计算信息科技有限公司设计制作
备案号:苏ICP备2022014967号-1